DionR
Well-Known Member
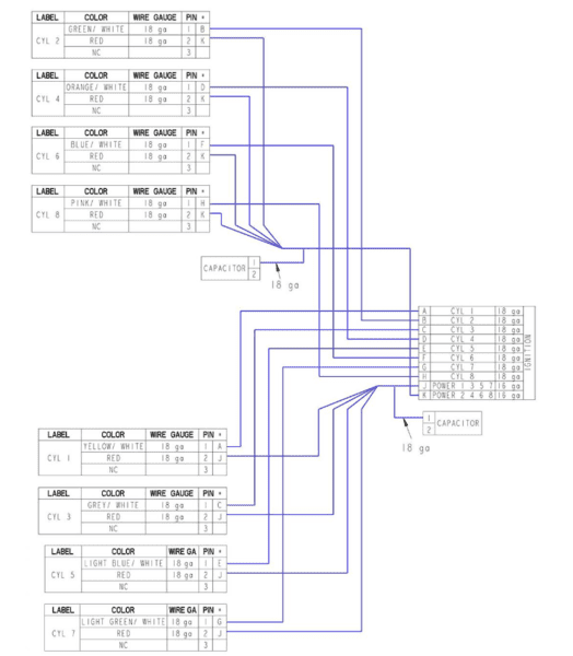
Does that engine have a harness? My coils have 3 pins on them, but only two wires going to them. I don't know what the extra pin is for. Since I cut down a factory harness, I really never paid any attention to it until now. Rock auto shows the same part number for coils between non-vvt and vvt engines. I always thought the coils were the same because when doing an eagle head swap, I've always read the only parts needed were heads/rockers/pushrods, valve covers and intake. Nothing about coils.
It did come with a harness and sure enough you are right, only 2 wires. In my defense, I pulled the harness off when I was getting it out of the bed of my truck and only looked at a coil earlier.
Looks like pins 1 and 2 are the ones used.















