1967 Barracuda center console wiring

-
1726146330220.png


1726146413902.png


'C' series is 67 Model Year
'D' series is 68 so does not apply.
 

The white and blue wires on the harness were probably configured during assembly for adaption to the location of the reverse light switch.
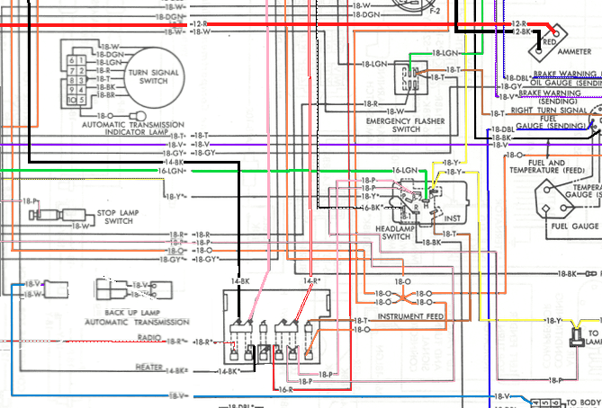
I'm guessing if the switch was on the column, they got the plastic connector circled here.
View attachment 1716302257

With a manual transmission mounted switch, they were plugged into the firewall multi-connector.
View attachment 1716302260

As pointed out, the white wire is power feed. It's hot whenever the key is in run or accessory. Blue or violet goes from the switch to the lamps.

So for an automatic, the white wire from the wiper switch goes to the connector.
The connector goes to the switch harness.
The violet (wich is more blue on my car) goes to the body harness connector behind the left kick panel.
View attachment 1716302261
Thank you for the schematic. My car was originally an automatic console shift. It seems the sub harness is missing from playing around with the car over the years. Yes I understand that the white wire from the wipers provides power and the violet is power to the backup lights after the switch, I just can't find the ends that plug into the sub harness other than the orange wire for the gear indicator light. I can see the white and violet wires at the firewire bulk head which I posted a picture of and I located the white wire at the wiper switch however trying to trace that bugger is not practical without removing the instrument panel, it leads into a wrapped buddle above the ignition switch and disappears. Your picture shows the connection at the bottom of the steering column and as you suggested it was for the option of column shift. My steering column does not have that. So what I actually need is where the location of the white and violet wires are located for the sub harness and then I need to acquire the sub harness. Like I mentioned before I have the harness that installs under the carpet from the passenger side kick panel. Thank you for the schematics they are great!
Also if you look at my bulk head picture and compare it to the schematic it looks like the wire harness I have install is for a manual transmission car considering there is no pigtail at that location. How that happened I am not sure maybe I just need to tap into those wires.

Console.jpg
 
Last edited:
Someone took the connector off and placed the wires into positions F & H.
I did something similar except with jumper wires.
The reason I did it was that my 67 has a '78 727 so could use the combined neutral/back up switch when the disposable column pin for the column back up switch broke.

Looking at your firewall connector, there are two wires through small individual grommets in the sheetmetal. Those are not factory grommet locations so there have been some other modifications. My point is somebody made the change after the car was purchased. if it was you, maybe you have the connector someplace.
 
Someone took the connector off and placed the wires into positions F & H.
I did something similar except with jumper wires.
The reason I did it was that my 67 has a '78 727 so could use the combined neutral/back up switch when the disposable column pin for the column back up switch broke.

Looking at your firewall connector, there are two wires through small individual grommets in the sheetmetal. Those are not factory grommet locations so there have been some other modifications. My point is somebody made the change after the car was purchased. if it was you, maybe you have the connector someplace.
Wow ya not sure what happened there but you are right. I replaced the wires going from the alternator gauge on the dash so they bypass the bulk head but I am not sure why the white and blue wires for the console were in there. I pulled them out now I just need the end connector and the sub harness. Thank you for your input. Anyone have a connector and a sub harness I could purchase?

image.jpg
 
Got my curiosity up and I dug out our orig 67 harness. I haven't traced anything, but I can take to work and trace them back if it helps? Also, do you have the FACTORY wiring schematics? They are in a supplement, not included in the FSM.
Fyi I could probably make you up the harness you need once we figure it out?

View attachment 1716302071

View attachment 1716302072
Would you like to part with that connector and sell me a sub harness?
 
a sub harness I could purchase
So you have one but not the other?
From console to the kick panel is 266 1142
The one from the kick panel that ties into the instrument panel wiring connectors is 285 7267
if the p/n number survives its printed on a white tape wrapped around the wires.
 
So you have one but not the other?
From console to the kick panel is 266 1142
The one from the kick panel that ties into the instrument panel wiring connectors is 285 7267
if the p/n number survives its printed on a white tape wrapped around the wires.
Yes I have the console harness but not the connector or the sub harness

image.jpg
 
-
Back
Top Bottom