questions about battery disconnect wiring

-
@Mattax
upload_2022-5-7_16-35-34.png

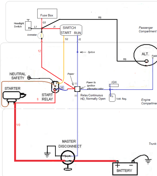
I’m beginning this. (Shown is the second diagram in post #36) What gauge should the brown wire between the Ford solenoid and the factory starter relay be? And, what gauge should the blue wire between the master disconnect and the continuous duty relay be?
 
If the CD relay locks closed, what happens? You are dead in the water from passing tech.

JMO, that is the reason you isolate the charge wire to the same side of cut off switch as your battery. All power is broken on the upstream side of cut off.

Always put a fuse or protection in the feed wire to starter relay going forward. I run 30-60 amp maxi fuses in the line right off the cut off.
 
@Mattax
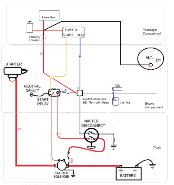
I’m trying to decide whether to use this set up, or the one crackedback showed in the other thread.
Questions:
-Could you show a detail of the wiring on the CDR? I can’t tell what goes where on this drawing.
-Please explain what is what in the area of the fuse box. Is that existing wiring? What is that thing that sort of looks like a headlight switch?
upload_2022-5-12_8-4-45.png
 
I’m trying to decide whether to use this set up, or the one crackedback showed in the other thread.
Basically this is an illustration of an approach that came out of discussion in a thread with @67Dart273.
If going with an anlternator with internal regulator and single wire, crackedback's approach probably makes more sense.
The one here retains more original wiring layout and works with an external regulator. It only kills the big wire from the battery to starter from the kill switch in the trunk.
Questions:
-Please explain what is what in the area of the fuse box. Is that existing wiring? What is that thing that sort of looks like a headlight switch?
yes. Headlight switch.
This is all factory wiring.
upload_2022-5-12_10-1-40.png

The wires in the center are joined by welded junction.
R6 is power from the alternator.\
Power to/from the battery goes through the ammeter.
J1 feeds the Key Switch
Q3 feeds the fuses that are always hot
L1 feeds the headlight portion of the headlight switch.

S2 triggers the starter relay
J2 powers the ignition when the key is in run. It also powers the alternator field, along with choke assist and carb solenoid if present.

Questions:
-Could you show a detail of the wiring on the CDR? I can’t tell what goes where on this drawing.
This is the same type of relay as you might use for headlights. Its only going to carry 5 or 6 amps if using an older alternator and ignition, maybe as much as 12 amps at top rpm if using an MSD and a newer alternator with higher field draw.

Keeping it to the same drawing.
When the key is in RUN.
J2 is hot
As long as the master disconnect is closed, power flows through the 85 terminal to the 86 terminal causing the relay to close.
With the relay closed the ignition and field get power.
upload_2022-5-12_10-20-26.png

If either the key is off, or the master disconnect is off, then the relay is open. In either case power to run alternator and the ignition is cut.
(During start power for the ignition comes through the J3 wire not shown. '74 being a little more complicated because of the seat belt interlock)

The blue wire on the starter relay is a 16 gage fusible link, same as factory. That protects the 12 ga wires downstream of the battery if there is a short.

If you're actually going to go this route, there are some refinements I'd suggest depending on whether you want the ammeter to work.
But regardless the concept remains the same, as does the relay.
 
Last edited:
To keep the ammeter as a useful indicator of battery charging and discharging, then the power connection to the relay must be kept on the alternator side of the ammeter. I would probably add both wires if keeping the ammeter. The reason is it provides a second path for the alternator power to get inside the car. The reason being that the original wire often has oxidation and sometimes damage at the bulkhead connector and elsewhere.

upload_2022-5-12_10-39-45.png
 

Wow! Thank you, @Mattax !
It’s getting clearer.
Incidentally, I should’ve mentioned that I previously did the Mad Electric ammeter bypass.
In regards to the CDR, you mentioned 85 and 86 terminals. That makes me think of something like this:
upload_2022-5-12_10-49-21.jpeg

I have a Cole Hersee 24059. Should I get something other than that?
What about crackedback’s point about the CDR sticking?
 
Wow! Thank you, @Mattax !
It’s getting clearer.
Incidentally, I should’ve mentioned that I previously did the Mad Electric ammeter bypass.
In regards to the CDR, you mentioned 85 and 86 terminals. That makes me think of something like this:View attachment 1715926104
I have a Cole Hersee 24059. Should I get something other than that?
What about crackedback’s point about the CDR sticking?
@Mattax, at the risk of being a pita, lol, is my Cole Hersee gonna work?
 
Sorry I'm just tryin gget stuff done away from the computer.

Cole Hersee 24059 Insulated Continuous Solenoid | Waytek
Is super overkill for the design concept above. It probably draws about the same power as a starter solenoid, and if so I would not use it on the run circuit like shown above.

What about crackedback’s point about the CDR sticking?
Rob can prob better answer that.

In the scheme being discussed here, lets say the relay sticks closed. As illustrated below,
85 connects to 86, so if the relay would connect power black wires to the blue ignition circuit.
upload_2022-5-13_12-55-35.png


With the master disconnect open, there is no battery power.
His poiunt I think is that its possible the engine could keep running on the alternator power. That would be the same situation if the relay stuck closed and the key was turned off.
@67Dart273 has used relays on the ignition to solve voltage drop issues on some cars. Maybe he can speak more to that concern. I'm just not familiar with that happening.

I now know you have modified wiring so the above diagrams are not exactly your car's scheme. But to answer your questions its the easiest for me to show.
Draw out your cars wiring and your goals and maybe we can help further with your decision
 
@Mattax Thanks very much for the reply.
I’m not skilled enough to draw out my wiring. I’m just trying to get the battery in the trunk in a better way than the minimum NHRA requires. I get it that my wiring has been modified because of the ammeter delete.
If you could do me one last favor and tell me what I should use instead of the 24059, I’m outta here!
You’ve been more than helpful. Thank you.
 
If you have the ammeter bypassed, you don't need to do that schematic. You are introducing another piece of equipment that is unnecessary to accomplish the function.

I explained here or elsewhere why that relay in the middle is a bad idea. Locks closed, the cut off does nothing because you have a loop.

Last time for me... ISOLATE THE CHARGE WIRE AND BATTERY SIDE FROM THE CAR FUNCTION SIDE AT THE CUTOFF

Here is a visual.
k1WUWfY.jpg


The brown line is the great wall of china here. No power on left side of wall when switch is thrown... DONE!!!!

The additional wire going forward to the starter relay weighs a whopping 4 pounds maximum. maximum 20ft at .146#/foot plus ends... More like 15-16 feet yikes.

24059 is what you use in my set up, not the one that has the ammeter in place.
 
@Mattax Thanks very much for the reply.
I’m not skilled enough to draw out my wiring. I’m just trying to get the battery in the trunk in a better way than the minimum NHRA requires. I get it that my wiring has been modified because of the ammeter delete.
If you could do me one last favor and tell me what I should use instead of the 24059, I’m outta here!
You’ve been more than helpful. Thank you.
For the controlling the ignition circuit what you showed is correct.
here's a Tyco Tyco / Bosch 30/20 Amp Relay – CE Auto Electric Supply
For doing what crackedback shows, the CD relay needs to handle quite a bit more current, hence something like the Cole hersey is needed.
 
-
Back
Top Bottom