Car wont start unless door is open

-
Does the buzzer sound when the circuit is closed at the left door switch?
View attachment 1715880060

If not, then maybe its not connected to buzzer.
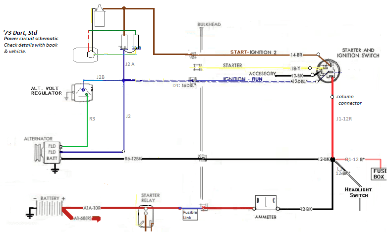
CI 5 is steering column connector.
Could be a pinch or a miswire there?

On the inside there's two wires for the start.
Ignition Start (J3) is Brown. That does not effect the starter.
Starter Relay trigger (S2) yellow. That does not effect the ignition.

In the engine compartment, for the starter relay to close, the neutral safety switch must ground.
The only way it could get involved with interior stuff again is getting cross connectec with those reverse light wires.
That is, unless something else was modified.

Might want to begin with the column connector, and then do some continuity checks to see what else may have gotten connected in to those circuits that shouldn't be.
View attachment 1715880063


Another check might be to disconnect the NSS wire at the relay.
Temporarily run a jumper to ground. See if it starts with the door closed.
if so, then you know it relates to the NSS wire.

Very interesting. So are you saying that its possiblt some wires are shorted or pinched somewhere in the steering cloumn, or maybe under the collar? I started taking apart the steering wheel, but cant get the collar of the steering column off to see the wires. Any ideas?
 
correct. and if i followed the black ground wire correctly, it leads to the bulkhead.
THAT IS NOT GROUND!!! That is the main charging wire goes from the alternator output, originally through that white connector, through the bulkhead connector and to the ammeter
 
THAT IS NOT GROUND!!! That is the main charging wire goes from the alternator output, originally through that white connector, through the bulkhead connector and to the ammeter

Oh ok i see now. So i wonder how and why that wire got so hot and burnt that connector. Was it pulling way too much current?
 
I thought it was the easiest solution.
Screenshot_20210723-200802.png

I think he was trying to take the Jack wheel out of the car...
Are you saying something like that wouldn't bug you?...
 
Oh ok i see now. So i wonder how and why that wire got so hot and burnt that connector. Was it pulling way too much current?
That supplies power from the alternator to everything when the engine is running. If there are a lot of electrical items running at the same time and/or the battery is recharging at high rate, any weak spote in that line can overheat.
And it has that R6 in it. Definately should make that a well spliced connection.
Redfish, on here, has written about it. That connector was added "at some point" (year) to make it easier for factory to connect engine to bay. Older cars don't have it, and it is a BIG failure point

Every connection can be a source of resistance. They are more exposed to heat, moisture, vibration. The crimp can have mechanical failure or weakness, reduced contact area, and the terminal contacts themselves are often somewhat thin and sometimes, not as much surface in contact as the wire conductor itself.
Based on Redfish's observations, its as likely the failure was due to normal heavy use as it may have been to abuse.
The easiest way to abuse the main circuits is charge a nearly dead battery by driving around on the highways.
 
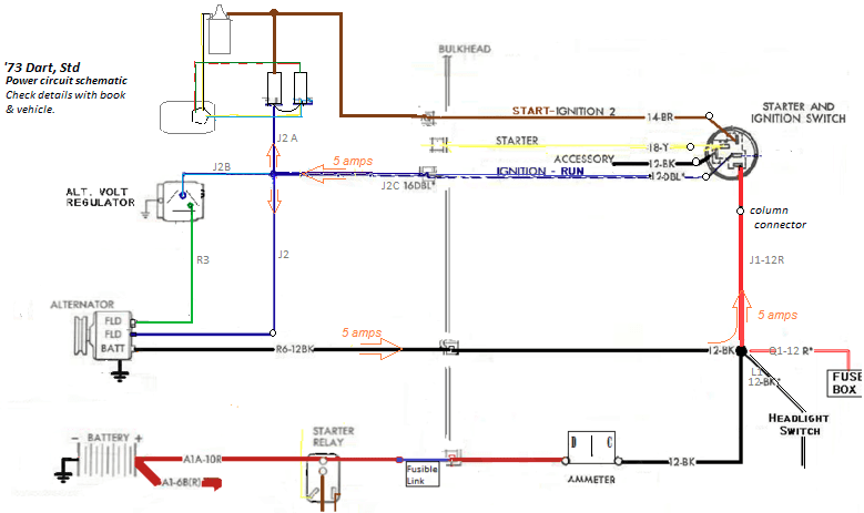
In the diagrams the alternator output wire is labled R6.
Follow it to the battery. Notice there are no switches between it and the battery positive.
upload_2022-3-2_8-5-50.png

Even with the key off, those wires are always hot unless you disconnect the battery!

The alternator is the main power source when the car is running.
To keep the car running, about 5 amps flows from the alternator to the ignition and alternator's rotor (aka field).
upload_2022-3-2_8-20-55.png


When the battery is low on charge, it will draw current too. Immediately after starting, this might be as much as 20 amps.
upload_2022-3-2_8-24-2.png


Now there are 25 amps flowing out of the alternator.
Turning on the headlights, wipers, stepping on the brakes, etc, all will increase the load on the alternator.
Parking lights ae about 5 amps, Headlights around 9 amps, and heater on high close to 10 amps.

Now on your car, there is an extra connection in the alternator output as well as the run wire.
It doesn't take a lot of resistance to generate heat in a connection that is seeing 20 or 25 amps for long periods of time, such as driving at night in the rain.
 
Oh ok i see now. So i wonder how and why that wire got so hot and burnt that connector. Was it pulling way too much current?
This (LOL) is the subject of hundreds of threads on this board. The connector terminals used in that connector as well as the ones used in the bulkhead connector, are nowhere near heavy enough to handle the full alternator charge current--expecially if heavier output alternators are installed, and/ or accessories has been added such as two way radio, big stereo amp, etc, OR IF for some reason the battery gets discharged such as someone leaving the lights on when parked, etc, "long periods"

There is a well known option called "police / taxi / fleet" wiring that was used on Mopars with optional 65A alternators. This was a "partial" bypass of the bulkhead connector by running new, larger ammeter wires through separate gromments in the firewall. You can look this up in some of the service manuals, sometimes for B bodies, by finding the diagram depiction optional 65A alternator wiring.
 
This (LOL) is the subject of hundreds of threads on this board. The connector terminals used in that connector as well as the ones used in the bulkhead connector, are nowhere near heavy enough to handle the full alternator charge current--expecially if heavier output alternators are installed, and/ or accessories has been added such as two way radio, big stereo amp, etc, OR IF for some reason the battery gets discharged such as someone leaving the lights on when parked, etc, "long periods"

There is a well known option called "police / taxi / fleet" wiring that was used on Mopars with optional 65A alternators. This was a "partial" bypass of the bulkhead connector by running new, larger ammeter wires through separate gromments in the firewall. You can look this up in some of the service manuals, sometimes for B bodies, by finding the diagram depiction optional 65A alternator wiring.

very interesting. I’ll have to take a closer look at that. When we got the car, the previous owner had installed a tach. He wired it very poorly. Would this maybe be an accessory that is too much for those stock connectors?
 
Not normally. "Heavy draw" accessories, or oversized alternators. Most these girls had a 45 A or less alternator. Time also takes a toll.
 
Not normally. "Heavy draw" accessories, or oversized alternators. Most these girls had a 45 A or less alternator. Time also takes a toll.


So as it turns out, I found a forum on here that discusses the same problem I had before I realized the car would start when the door is open. Before that realization, the car would get a single spark when the key was realeased from the most forward point. But while cranking, there was no spark. The guy on this forum was looking into the key switch. This is interesting because the guy before us told us that he had replaced the the key switch. We are thinking that he may have screwed something up with that new instillation. I am currently trying to dissect the steering column but there is a weird metal piece that I’m unsure how to get off. Any thoughts on the key switch, as well as how to get this piece. Thanks
image.jpg
off?
 
There's an old old thread on here about that. Of course start with your service manual
How To Install an Ignition Switch in 1970 Dodge Dart

However, I would not replace it until you make electrical checks. One thing others have pointed out, is that those switches sometimes get "loose" inside, and the contacts -- pieces can "wander around" inside.

Learn to pull the connector terminals out of the switch connector. Not that hard. Remove the ones you don't absolutely need, and get them down to ONLY

the power coming in
the "start" wire
the "run" wire
the "ignition bypass" wire

"Safe off" the rest and see if it works with just those only.
If so, then re-insert the "accessory" wire and re-test

If that is OK, re insert the others one at a time and retest.
 
There's an old old thread on here about that. Of course start with your service manual
How To Install an Ignition Switch in 1970 Dodge Dart

However, I would not replace it until you make electrical checks. One thing others have pointed out, is that those switches sometimes get "loose" inside, and the contacts -- pieces can "wander around" inside.

Learn to pull the connector terminals out of the switch connector. Not that hard. Remove the ones you don't absolutely need, and get them down to ONLY

the power coming in
the "start" wire
the "run" wire
the "ignition bypass" wire

"Safe off" the rest and see if it works with just those only.
If so, then re-insert the "accessory" wire and re-test

If that is OK, re insert the others one at a time and retest.[/QUOTE

Unsure why my messages keep deleting so lets try again. I put the column back together.

The steering column ground strap that connects the bracket at the bottom of the collumn to the frame. How neccesary is this wire? When i was tearing the column apart i belive this wire was only connected on one side, therefore not grounding the steering column.

Do you think that when the key was inserted, it was acting as the ground. Connecting to the buzzer wires and down into the door switch?
 

This is really easy. Open the door, get in, start it up, close the door and go.
Right On Brother Rob! Man I REALLY dig Your "Jus Make it Go, Darn it" Thought Process! That's A Real Deal, and Get Er Done, Move on With Life, to the next part, and Have Fun Attitude! To much bs takes the fun out....also NOT EVER would I take ANYTHING FROM 67Dart273 and Mattax. Them Cats Are Sharp as can be!
 
I doubt it, but you need the column grounded if nothing else, for the horn button. If you have a column automatic, the quadrant indicator lamp needs a ground. Not sure what else. The column is normally mounted by sliding plastic/ nylon hardware, which does not lend to ground. The clamp at the floor can be rusty or loose, so that is no guarantee.

So far as the switch, make sure you check continuity and function and make certain of wire colors WHICH MAY BE DIFFERENT on replacement switches.
 
I doubt it, but you need the column grounded if nothing else, for the horn button. If you have a column automatic, the quadrant indicator lamp needs a ground. Not sure what else. The column is normally mounted by sliding plastic/ nylon hardware, which does not lend to ground. The clamp at the floor can be rusty or loose, so that is no guarantee.

So far as the switch, make sure you check continuity and function and make certain of wire colors WHICH MAY BE DIFFERENT on replacement switches.


Welp it has been a journey but I finally figured the ignition problem.

Turns out that the wiring from the harness to the distributor, had an extra jumper that ended up crossing the wires. It now starts every time regardless of of the door is open or not.
image.jpg
image.jpg
 
^^That makes no sense at all but it brings up ANOTHER problem^^ ---By that I mean it makes no sense that this jumper would have anything to do with ???the door being closed or open????

The polarity of the pickup wires are IMPORTANT because when you change polarity it moves spark timing in relation between the pickup (the spark time event) and the rotor/ cap contacts. That is, the rotor may not be pointed to a cap contact when the spark happens. This has become a "modern term" known as ROTOR PHASING. Google it. I would check it as we don't know if it was correct earlier or now. In any cast, if that jumper really changed polarity, it is an issue with or without, one or the other

Just one video on the subject:
 
I have to admit, "your problem" is one of the weirdest I have heard of on this board.....................

yea I’d have to agree. I put the steering column back together and just tried to start it for giggles and nothing had changed. So then we went back to the thought of somehow the dist. Wires had crossed or something wierd(someone on another thread had said that was his problem.

so we took out one of the jumpers. There were three for some reason. We think that the previous owner had done some wierd stuff when putting in the 360. Somehow taking out the jumper fixed it.

I have absolutely no idea how having the buzzer grounded would make it run before pulling the jumper…

I don’t like wiring.
 
-
Back
Top Bottom