Car wont start unless door is open

-
We will do another test possibly tomorrow and we will crank the car and take mesurements at the coil and ballast
No.
To trace the problem hot, begin as close to the power source as practical.
Select volts and probe the junction that should have power with the key in whichever position you are checking.
The problem currently is when the key is in run. So my suggestion is put the key in run, back probe the cavity on the bulkhead with the J2 wire.
If that has battery voltage, then check the accessible junctions for the J2 branch wires.

Make sense?
 
No.
To trace the problem hot, begin as close to the power source as practical.
Select volts and probe the junction that should have power with the key in whichever position you are checking.
The problem currently is when the key is in run. So my suggestion is put the key in run, back probe the cavity on the bulkhead with the J2 wire.
If that has battery voltage, then check the accessible junctions for the J2 branch wires.

Make sense?

Yes that does. Ill give it a shot tomorrow.
 

With voltage, you can check to see if connections are being made.

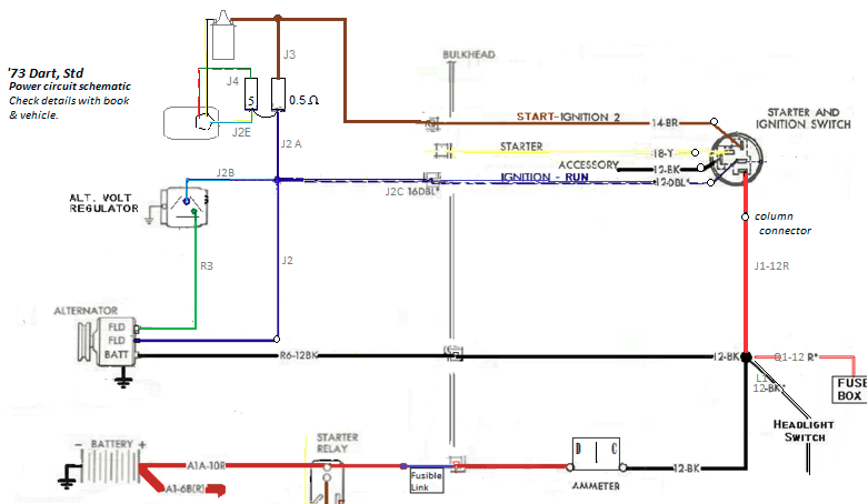
This is the feed for ignition running (I called it J2, but the shop manual for '73 shows it as J2C, go figure, the draftsman didn't have his coffee that morning)
upload_2022-3-10_22-51-1.png


There should be power there with key in run.
There should also be power on the J2A where it connects to the ballast resistor, and at the blue connection on the alternator.
There should be a junction on the connector at the ballast, that leads to the ECU power wires when running.

Use resistance when trying to determine if two ends are connected. There must be no power in the wire being checked.
 
upload_2022-3-10_23-7-54.png

You are holding the Run Circuit. The wires are labled J2 and then a branch letter. This is also called the ignition circuit, or ignition run circuit.

from the Dodge Chassis manual page 164
J2 is cavity N middle connector. Use the bumps (green arrows) to figure out the orientation. If its too difficult to access go to an easier junction first.
upload_2022-3-10_23-17-1.png

16 is wire size, DBL* is dark blue with stripe.

It looks like someone got black spray paint on some of the exposed wires but you'll figure it out.
Lets give these wires their ID and what they do.
upload_2022-3-10_23-26-40.png

The dark blue is J2A, a branch of the Run circuit.
Dark Brown J3 connects to the coil positive. It must be connected to the 0.5 Ohm resistor. With the key off, measure the ohms accross that resistor. If its 5 ohms, its the wrong resistor.
The light blue with yellow, and the green with red wires go to the ECU. The Green with Red (J4) must be connected to the 5 ohm resistor. With the key off, measure the ohms of that resistor. On newer ECUs that wire isn't needed, but since its there you can use an older module or an newer one.

A light blue wire with yellow strip should be J2E, RUN power feed to the ECU.
upload_2022-3-10_23-58-0.png







upload_2022-3-10_23-46-14.png
 
View attachment 1715886000
You are holding the Run Circuit. The wires are labled J2 and then a branch letter. This is also called the ignition circuit, or ignition run circuit.

from the Dodge Chassis manual page 164
J2 is cavity N middle connector. Use the bumps (green arrows) to figure out the orientation. If its too difficult to access go to an easier junction first.
View attachment 1715886001
16 is wire size, DBL* is dark blue with stripe.

It looks like someone got black spray paint on some of the exposed wires but you'll figure it out.
Lets give these wires their ID and what they do.
View attachment 1715886019
The dark blue is J2A, a branch of the Run circuit.
Dark Brown J3 connects to the coil positive. It must be connected to the 0.5 Ohm resistor. With the key off, measure the ohms accross that resistor. If its 5 ohms, its the wrong resistor.
The light blue with yellow, and the green with red wires go to the ECU. The Green with Red (J4) must be connected to the 5 ohm resistor. With the key off, measure the ohms of that resistor. On newer ECUs that wire isn't needed, but since its there you can use an older module or an newer one.

A light blue wire with yellow strip should be J2E, RUN power feed to the ECU.
View attachment 1715886035






View attachment 1715886027


Amazingly helpful. Thanks a ton.
I will try again tomorrow and see what comes up.
 
Now that you've had a night to sleep on that, here's a tip on making the most of checking for voltage.

Normally the voltage in all of the feed wires should be the same.
Even when the key is turned to 'run', the items on that circuit do not draw much current.
Therefore, with the engine off and key in run, voltage at all of the junctions in the run circuit should be the same as voltage at the battery positive terminal.

upload_2022-3-11_8-45-28.png


With the key in run and the engine off, the voltage measured at the N cavity in the firewall connector should be the same as at the battery.
If not, note the difference and note how much current the dash ammeter is indicating.
Differences in voltage indicate resistance to current flow.

Lets say you measure 11.5 Volts at the ballast resistor, 11.5 Volts at cavity N. Seems low! But is it resistance or just a low battery?
Leaving the key in run, look at the ammeter reading and a measure battery voltage. Then you'll know.
If the ammeter shows 5 amps and the battery voltage is 11.6 V then its just a low battery. Put it on a charger.
 
We see two red wires in this photo.
The one seperate from the harness looks to be larger than 12 gage ? Maybe as large as 8 gage?
upload_2022-3-11_9-4-10.png


Is that bigger wire the one connecting here?
upload_2022-3-11_9-26-48.png

10 gage to the fusible link was standard in '73

I ask because some cars got a heavy duty alternator and battery wiring.
One version came on cars equipped with rear window electric defrosting grids.
Another version was the police/taxi fleet wiring - very rare on A-bodies since most weren't severe use fleet cars. These options used 8 gage wire.
One clue will be if the rear window has a defroster grid.
Another will be if there is a grommet in firewall for those wires.

There's a photo of the firewall grommet feeds here: How rare is electric rear defrost?
and another version here Optional Heavy Duty wiring

Neither should effect your trouble shooting method. But they will change your wiring diagram a little.
 
Last edited:
We see two red wires in this photo.
The one seperate from the harness looks to be larger than 12 gage ? Maybe as large as 8 gage?
View attachment 1715886155

Is that bigger wire the one connecting here?
View attachment 1715886176
10 gage to the fusible link was standard in '73

I ask because some cars got a heavy duty alternator and battery wiring.
One version came on cars equipped with rear window electric defrosting grids.
Another version was the police/taxi fleet wiring - very rare on A-bodies since most weren't severe use fleet cars. These options used 8 gage wire.
One clue will be if the rear window has a defroster grid.
Another will be if there is a grommet in firewall for those wires.

There's a photo of the firewall grommet feeds here: How rare is electric rear defrost?
and another version here Optional Heavy Duty wiring

Neither should effect your trouble shooting method. But they will change your wiring diagram a little.


Do you think it’s possible that when they guy swapped in the 360, he accidently swapped two of the three bulkhead connectors. The reason I say this is because when looking at the connector for what should be j2(16 DBL), the big 10 gage red wire that runs through the fusible link, is there instead.
 
Do you think it’s possible that when they guy swapped in the 360, he accidently swapped two of the three bulkhead connectors. The reason I say this is because when looking at the connector for what should be j2(16 DBL), the big 10 gage red wire that runs through the fusible link, is there instead.
BD7C3614-3C58-4332-BE5D-CDBC3ACA3732.jpeg
 
Do you think it’s possible that when they guy swapped in the 360, he accidently swapped two of the three bulkhead connectors. The reason I say this is because when looking at the connector for what should be j2(16 DBL), the big 10 gage red wire that runs through the fusible link, is there instead.
The connectors can't be swapped. Those bumpouts are different on each one.
The sevice manual drawing may be showing the view from the inside.
 
The connectors can't be swapped. Those bumpouts are different on each one.
The sevice manual drawing may be showing the view from the inside.

Alright. The bulkhead is normal. The diagram is as if you were looking down at it.
I measued a consistent 11.5 volts from the N connector. As well as the three endings of the run circuits.
However, when i was measuring resistance at the ballast, the upper right terminal and lower right terminal both gave me about 3.4 ohms.

This is different from what you said. If i uderstand correctly, the upper right terminal should have 5 ohms, and the lower right terminal should have 0.5 ohms?
Does this mean wrong ballast?
 
I think the drawing is just upside down
upload_2022-3-11_17-17-11.png


A1C 16DBL is code for Battery feed, segment C, 16 Dark Blue, in other words fusible link. and that goes in J.
I can just make out the middle connector's bump in your photo.

So it may be like this when viewed from the front of the car.
upload_2022-3-11_17-20-8.png
 
You're ahead of me.
thumbs_up-gif.gif


With 11.5 volts in the run circuit, then check the battery votlage and the ammeter reading with the key in run.
That way ypou'll know if its just a low battery, or if there is a poor connection.
 
You're ahead of me. View attachment 1715886450

With 11.5 volts in the run circuit, then check the battery votlage and the ammeter reading with the key in run.
That way ypou'll know if its just a low battery, or if there is a poor connection.

Welp. The entire dash is currently out of the car including ammeter. We pulled it and fixed a few problems behind the dash and it has been easier to work on.
We currently have the the two wires that go to the ammeter vice gripped.

Of course careful not to touch ground
 
Welp. The entire dash is currently out of the car including ammeter. We pulled it and fixed a few problems behind the dash and it has been easier to work on.
We currently have the the two wires that go to the ammeter vice gripped.

Of course careful not to touch ground

forgot to mention that the bolt that holds the two wires for the ammeter was super corroded and didnt make good contact.
 
This is different from what you said. If i uderstand correctly, the upper right terminal should have 5 ohms, and the lower right terminal should have 0.5 ohms?
Does this mean wrong ballast?
That or wrong measurement technique.

For resistance.
Key OFF. There must be no power in a circuit when measuring resistance.

One lead to one end of the resistor and the other lead on the other end.
upload_2022-3-11_17-32-11.png
 
Welp. The entire dash is currently out of the car including ammeter. We pulled it and fixed a few problems behind the dash and it has been easier to work on.
We currently have the the two wires that go to the ammeter vice gripped.

Of course careful not to touch ground
OK. You can still check the battery voltage with key in run.
We can assume for now that the current is around 5amps.

The ring terminals are usually for #10 studs. If you get a 10-24 or 10-32 bolt you can free your visegrips. :)

Later when you get through this part of the puzzle, we can come back to the ammeter itself. If its the studs are corroded, its probably better to replace than repair.
 
Last edited:
OK. You can still check the battery voltage with key in run.
We can assume for now that the current is around 5amps.

Interesting development. Someone mentioned to hotwire the coil stright to the battery. This kinda fixed it. when coil positive is hotwired, the car will idle.

However when i went to shut it down, key was off and car ran for an extra 5 seconds.

This means the ignition wire to the coil plays some role in the problem.
 
Wow. Started reading this post.
OP stated this car had sat it a field for 20 years.
imagine every connection needs to be looked at!
anything diddled with has to be double looked at.
May I suggest using a test light, ( something that draws current) rather than a meter, to check for power on circuits.
Good luck
 
Wow. Started reading this post.
OP stated this car had sat it a field for 20 years.
imagine every connection needs to be looked at!
anything diddled with has to be double looked at.
May I suggest using a test light, ( something that draws current) rather than a meter, to check for power on circuits.
Good luck

Good idea. I will buy a test light tomorrow. The previous owner had mentioned that he replaced the ignition swicth. Im not sure if he replaced it because even before that the car still wasnt starting correctly, or he put in a faulty one.

The current state of the car is quite interesting. When i took out the extra dist. jumper, the car started every time regardless of if the door switch was grounded. However, it would die instantly and isnt getting any spark when key is in run position.

So then i hotwired the coil positive to the battery and it stays running after starting.

When i put the jumper wire back in, the door buzzer has to be grounded for the car start. But, it stays running unlike when the extra dist. jump wire is out.

Sorry if this response is confusing, but its accurate to whats happening.
 
-
Back
Top Bottom