Rally dash redo

-
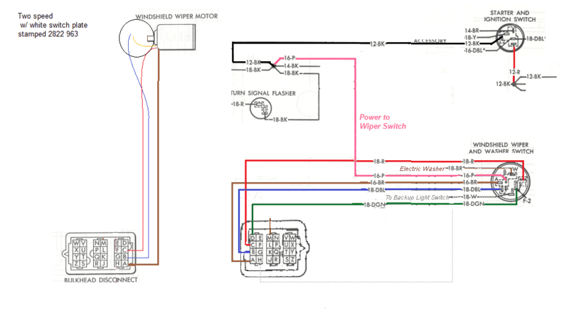
Ok attempting to make progress on this spaghetti. It's another WTF Wednesday lol. I made a mistake reading the 68 diagram. The Violet wire from backup lamp switch connector actually leads to body wiring connector. That connector has 7 wires. The White wire from b/u lamp switch goes to radio connector and is twinned up at terminal end with red wire/tracer. The red/tracer leads to fuseblock.
67....violet to body wiring plug. This plug only has 5 wires.(will check into the difference vs 68 and 7 wires)
The white wire from backup switch connector goes to ws wiper switch.
I believe the 67 white ws wiper wire is to supply 12v to switch, where as 68 it comes from being twinned at radio connector.
Does that make sense?
See my sketch attached.
unfortunately I dont have 67 harness here to verify anything, only schematics.
So gotta check 68 7 wires for body, vs 5 wires for 67.
Sketch

20200304_130510.jpg
 
More than one circuit supplied by a single fuse is typical. So rather than to route so many wires out of the fuse box to different things, a single wire for radio or wipers will connect to a jumper to the next circuit such as reverse lamps. 67 used wiper fuse for reverse lamps. 68 used radio fuse for reverse lamps.
Why? Here's how I see it.. A short circuit in wiring to reverse lamps could blow a fuse and disable the windshield wipers. Reverse lamps is a lot of wire too. "I backed over a tricycle and now my windshield wipers don't work".
They moved those reverse lamps up and out of harms/tricycles way (for 1 year model).
At the same time, 68 model will have reverse lamp wiring to a switch screwed into the trans underneath the car, with connectors on either side a of a brown neutral safety wire that is in itself a short to ground.
"Lets have that short circuit disable the radio instead."
They didn't spend money to change things just to be A-holes.
So what will you do? Cut the white wire out of radio connector, route and patch it into wiper connector?
I would probably just verify reverse lamps properly connected/supplied by the 68 radio wiring and connector. I'm going to make and print a diagram showing my changes to keep in this car anyway.
 
Last edited:
My 67: two purple wires from the trans.
One wire goes to the reverse lights, which are grounded to the body.
The other wire goes to the wiper switch, that's right, gets power from the wiper switch. At the bulkhead this purple wire is connected to the white wire that goes to the wiper switch.

My understanding is the switch has an internal circuit breaker, not sure if that is for the wipers or the reverse lights, or both. I do know that sometimes when my reverse lights wouldn't work, if I turned on the wipers, once they started going the lights came on.

Have since taken the switch apart and cleaned it, grounded the reverse lights to a ground hub that returns to the battery. Didn't help with the issue.

Since I replaced the fusebox with one with modern fuses, I plan on taking power from somewhere else so the wiper switch will no longer be involved in the reverse lights.

Iirc, the only thing wrong with the diagram I have is the wiper only had 3 wires, not 4, and the colors are incorrect for 67. The wiper wires/colors are correct for a 68, or could just be for a variable speed and I have the two speed.

Screenshot_20200305-001944.png
 
Last edited:
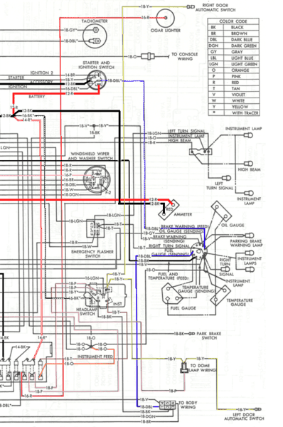
We hashed out some of the wiper wiring in a thread last year.
Engine side harness for early 2 speed only has three wires but the unused green wire from the F2 terminal to bulkhead is present.
upload_2020-3-5_8-17-29.png


For automatic transmissions, power for the back up light switch (white) goes to a two cavity connector next to the steering column. Both wires on the switch are violet. Power to the reverse lights from the switch connector is also violet.
 
We hashed out some of the wiper wiring in a thread last year.
Engine side harness for early 2 speed only has three wires but the unused green wire from the F2 terminal to bulkhead is present.
View attachment 1715481831

For automatic transmissions, power for the back up light switch (white) goes to a two cavity connector next to the steering column. Both wires on the switch are violet. Power to the reverse lights from the switch connector is also violet.
I was thinking reverse lamp wires in my 67 were violet and violet w/white tracer but again my memory fails. That could have been the colors for later trans mounted NSS/reverse switch.
 
I was thinking reverse lamp wires in my 67 were violet and violet w/white tracer but again my memory fails. That could have been the colors for later trans mounted NSS/reverse switch.
Might be.
Looking at it the other day, I was wondering if the same dash harness was used for both automatics and manuals.
Mine was originally automatic with column mounted switch. But it looked like the wires to the connector are long enough to be removed and placed in the bulkhead.
I didn't think to try that when I put the jumpers in.

Jumpers in the photos added by me for transmission mounted reverse switch.
Blue and white to the connector.
Both switch switch wires are violet to connector.
upload_2020-3-5_9-29-6.png


Wiper switch
upload_2020-3-5_9-34-4.png
 
67, wires from switch on trans are both purple. Wire from wiper switch is full on white.
 
Ok PLAN B.
I decided to work with a 67 harness as opposed to swapping a 68 over. This hopefully means less changes. There was more than I cared for in the initial swap. I will thoroughly check this one out thoroughly(yellow door switch wires need replacing, headlight dimmer switch connector and wires, heater switch wires) need close inspection.
t doesnt appear to be too many changed/repairs. Just some stiff wires really. Orig ammeter wires intact.
Thanks to @blewbyu it's a nice piece!
With proper 67 schematics and harness this will make it easier(hopefully).
All connectors except turn signal and fuse box are labelled and removed. Verified before removal with factory schematics.
Peeled back wrap where need be for removing yellow wire. Not sure how long to make new one?? Add 2 feet to each end?
Also I ordered a 36 piece connector removal tool set. Off ebay.. .from China...:BangHead:
Another question...turn signal connector and wires. Initially they look good and clean....should I remove wires anyway from connector ?

20200413_151716.jpg


20200413_151722.jpg


20200413_151738.jpg


20200413_151920.jpg


20200413_151947.jpg


20200413_152100.jpg
 
Sorry to sound naïve but what is this a picture of?

upload_2020-3-5_9-34-4.png
 
Steve - if you just need one or two of those terminals, lemme know. Unfortunaley didn't get many of the splice ones. May use a few on my repair and '60 amp' wiring mod. Today I got the rest of the parts to get it done.
 
Thanks Matt for the link. Good read!
I removed the yellow door switch wire from the harness in one piece. It appears in good shape other than the clipped ends. A couple small spots discoloured, not sure if from heat or not? They're not physically melted. I have proper new terminals and yellow wire, so I may make a new one anyway. My new iwiss crimper dosent crimp very well. I have to order a new one.
Thanks for the offer on connectors, I should be good.
Were the door switch ends bullets?
Thanks to @67Dart273 for warning that sometimes Chrysler type and Packard 56 terminals don't fit in the connector cavities meant for the other.
That's exactly what happened today when replacing the Packard 56 terminal shown above with the Chrysler style.

Photo1. Packard 56 terminal poorly crimped to the field wire. (repop engine harness)
Wire crimp seperates the strands instead of compressing them. Possibly the terminal was for 14-16 gage wire, and the wire is 18 gage.
Second crimp is on wires instead of insulation and too big to grip.
View attachment 1715267344

Photo 2. Yazaki terminal similar to Chrysler style installed.
View attachment 1715267345

However the 56 connector would not lock solidly onto the new terminal. View attachment 1715267347

Photo 3. Original 1967 Chrysler connector on left; Packard 56 connector on right. Not the same.
View attachment 1715267346
The new Yazaki Chrysler style terminal locked in solidly to original 1967 connector. :)

I'd take it back to where it seems good and a splice will be in a relatively straight run. I used to lean toward soldering the splices but for this situation I'd lean toward an open barrel crimp. That way it will have more flexibility.
Like Del shows here:Inline wiring splice clips........from the Dodge RAM service manual

Steve - if you just need one or two of those terminals, lemme know. Unfortunaley didn't get many of the splice ones. May use a few on my repair and '60 amp' wiring mod. Today I got the rest of the parts to get it done.

20200413_214215.jpg


20200413_214754.jpg


20200413_214808.jpg
 
If its just discolored maybe just a stain not heat?

I haven't removed a door jamb switch in years. Someone here will know.
I remembered you got terminals from PICO but figured might be some things they didn't have.

On the female terminals I got pretty good using the compound crimper. It's Astro brand. Had to experiment a bit to figure out which jaws match which terminal sizes best. It does both the wire and insulation crimps at the same time. On the male terminals the jaw is too wide. I was thinking of grinding it down but didn't. Ended up buying the replica Packard crimpers knowing I had more stuff ahead.

upload_2020-4-13_22-21-28.png

Can't get in tight or awkward spaces with it but otherwise not bad.
I seperately bought jaws for ignition and CAT5 wiring
upload_2020-4-13_22-23-49.png
 
Last edited:
Nice, the Iwiss set I got is ratcheting and nice but the interchangeable dies(5 of them) dont crimp the common 14-16 gauge wire very well. Dies weren't machined properly.
Here are pics of those other terminal ends. They go to heater blower switch.(pics 1/2 ) 3rd pic is of normal chrysler terminals. They are on opposite end of heater wires that lead to blower motor resistor. 5th/6th pics are of the plastic housings. Very similar.
4th pic is of red wire connected to purple wire...not sure what that's about.
Tomorrow lol
If its just discolored maybe just a stain not heat?

I haven't removed a door jamb switch in years. Someone here will know.
I remembered you got terminals from PICO but figured might be some things they didn't have.

On the female terminals I got pretty good using the compound crimper. It's Astro brand. Had to experiment a bit to figure out which jaws match which terminal sizes best. It does both the wire and insulation crimps at the same time. On the male terminals the jaw is too wide. I was thinking of grinding it down but didn't. Ended up buying the replica Packard crimpers knowing I had more stuff ahead.

View attachment 1715507445
Can't get in tight or awkward spaces with it but otherwise not bad.
I seperately bought jaws for ignition and CAT5 wiring
View attachment 1715507446

20200413_221902.jpg


20200413_221922.jpg


20200413_221945.jpg


20200413_223128.jpg


20200413_225827.jpg


20200413_225855.jpg
 
Last edited:

If I was swapping harness and the new one had the cut dome light wires cut, I'd be tempted to use the 'old' dome light circuit.
The only hesitation I'd have is if the cable wrap has to come off. Someone who has done it a few times might be less hesitant on that.
upload_2020-4-14_8-51-52.png


Violet could be reverse lights. Maybe it was hacked because it was a column switch with a broken pin.

I'd probably treat all the old crimps and terminals with Deoxit 5 if they look good and 100 if not so good. 100 has to be wiped off. That's what I'm doing - old toothbrush will be for scrubbing. Cans are a little pricey but the small tubes are like 5 USD.
 
Matt this "new" harness will replace the old one. I'm hoping for a complete direct swap, dash frame and harness and bezel at same time. So "new" assembly has to be complete as possible to minimize downtime and to reduce time I spend laying on my back.
I traced the red 12ga wire, that's crimped to violet. It's for ammeter that leads to "Z" pocket on bh connector. That wire will be replaced, as well as going to 10 gauge.
Terminal ends getting soaked in apple cider vinegar then rinsed in tsp to neutralize.
Thanks
Steve
If I was swapping harness and the new one had the cut dome light wires cut, I'd be tempted to use the 'old' dome light circuit.
The only hesitation I'd have is if the cable wrap has to come off. Someone who has done it a few times might be less hesitant on that.
View attachment 1715507715

Violet could be reverse lights. Maybe it was hacked because it was a column switch with a broken pin.

I'd probably treat all the old crimps and terminals with Deoxit 5 if they look good and 100 if not so good. 100 has to be wiped off. That's what I'm doing - old toothbrush will be for scrubbing. Cans are a little pricey but the small tubes are like 5 USD.
 
FYI Steve

Just a heads up if you are using those drawings like Mattax posted. Find the Layer button in Adobe and you can turn on and off circuits to declutter the drawing to see what you want easier. I may not have layered in CAD to every ones liking but it helps you see things easier and quicker.
 
Were the door switch ends bullets?
Steve. I was going to remove the driver's side switch on my car today but couldn't see how to access the connector.
I don't know if its a bullet connector or what. It could be.
Next time I'll try to peek in with a dental mirror unless someone here clues us in.
Should be a way to remove the switch without twisting the heck out of the wire.

I traced the red 12ga wire, that's crimped to violet. It's for ammeter that leads to "Z" pocket on bh connector. That wire will be replaced, as well as going to 10 gauge.
One catch here seems to be getting a ring terminal thats long enough to bend away from the circuit board. Then do a nice heat shrink job.
upload_2020-4-17_18-4-33.png


The TE [formerly AMP] terminal 41124 is the closest I was able to find. It's for a #10 stud and 10-12 AWG wires. (Automotive wire uses a slightly smaller gage size, but you're using 10 ga automotive that terminal will be fine.
upload_2020-4-17_17-59-43.png


I'm adding a direct wire from the alternator using terminal stud and grommet on the firewall like the factory 60 amp setup. Undecided about the battery feed, but as of now I think I'm going to use the original factory wires at the ammeter.
 
Last edited:
Steve,
Door jambs weren't too difficult at all.
Hold the button from turning while wrenching the switch with a 7/16 open end wrench/spanner.
upload_2020-4-20_17-33-57.png


Then disconnect
upload_2020-4-20_17-35-35.png

Fishing it back in will be a little challange.

I found removing the connectors from the hand brake and regular brake was a much bigger pain. For the last one in the cable (white wire), I found a flat head screw driver (small pry bar) gently on the connector worked.
upload_2020-4-20_17-41-47.png



White one connects on the far side of that bracket. No room to get a grip on it.
upload_2020-4-20_17-47-32.png


I'll say most of the electric has not required laying on the back.
Cleaning and re-gluing the insulation to the dash is the one thing that has required a bunch of time on my back.
 
Thanks Matt, glad to hear the hand brake and reg brake was a pain for you too lol. Simple stuff like that can be frustrating!
I put the harness down for a bit and ordered yet another set of Iwiss crimpers, hopefully these work better than last set.
 
I popped my Door switches in and then connected the wiring from behind, tough but long pliers help, did not consider holding the button in! They are the 2 contact versions. The parking brake was too easy, adjust and plug in.
 
-
Back
Top Bottom