Rally dash redo

-
If you let it semi harden in the air a bit it will take less dips. The one pictured Is for the under hood. Or the main dash harness clamp!
 
Couple more pics of the larger size. Bends nice and the coating stays put, this one is light coating but you should get the idea.

C6BD2B9A-8EAA-4233-9B57-BF801117F5FF.jpeg


8EF1F539-E1F3-44B5-8A25-B4BBD31A9878.jpeg
 
By the way those 67 Factory retrace cad drawings I forwarded are only as good as Chrysler released! The 68 drawings are better and the 69 were much better. Sometimes you have to look at all three to get the whole picture. There are many subtle differences though and should only be used as overall reference year to year. They changed back-up lights and neutral safety among other things each year. The factory 67 drawings did not include all the optional wiring that may be present, least I have not found them to re-produce. 67 was the first year and they only sent out a supplement for Barracuda to the main shop manual.
 
By the way those 67 Factory retrace cad drawings I forwarded are only as good as Chrysler released! The 68 drawings are better and the 69 were much better. Sometimes you have to look at all three to get the whole picture. There are many subtle differences though and should only be used as overall reference year to year. They changed back-up lights and neutral safety among other things each year. The factory 67 drawings did not include all the optional wiring that may be present, least I have not found them to re-produce. 67 was the first year and they only sent out a supplement for Barracuda to the main shop manual.
You did a nice job with them.
thumbs_up-gif.gif

Its odd but the supp doesn't have the circuit coding for the instrument diagram where its most helpful. It seems like it went out the door a little less finished. I verified the 2 speed wiper switch connections against mine last night.
thumbs_up-gif.gif


I'm sympathetic with extending wires or adding connections, but it seems like asking for problems. Between the tips and photos here etc, and the 67 Supplement, I was able to reach everything without too much contortion or difficulty. The two points of difficulty were the heater control mounting screws and the unexpected ground wire. The heater screws might have been easier with the panel partially out. IIRC thats what I did 25 years ago when I was working with only the 68 FSM for guidance. This time I wanted to remove all screws and bezels I could with the panel firmly mounted to the dash.
The downside of extensions is more wire too stuff in there without strain on the connectors. And to my thinking, every additional splice and connection is something that could go wrong.
 
I put heat shrink tubing on metal straps. The metal clips at my distributor cap have a piece of white heat shrink tubing on their tips.
 
Well another change.... radio wires...
68
White wire doubled up with red/tracer and orange (all 3 wires 18 gauge)
White > "D" cavity in b/h
Red/tracer > to "RADIO" hole in fuseblock.
Orange > #5 cavity turn signal connector.
67
Red/tracer 18 gauge > fuseblock
2 orange wires(18 gauge) doubled up, 1 wire> #5 cavity t/s connector.
2nd orange wire >round plug at circuit board(uh oh) for inst lamps.
Gotta think about this one. :BangHead:
Got nice fuseblock, b/h connector and dimmer switch plug from barracudakid so I think I've gathered all I need to finish up the harness. Keep coming across wiring changes :bs_flag:
Try to follow the current paths. Positive origin from -> to.
Power comes from the fuse box to the radio on a red wire. If white joins it and goes to 'D' cavity of bulkhead, does it join different color wire ( black or red again) in the terminal that takes 12 volts to the turn signal switch? Is there a wire outside that 'D' of bulkhead? I'm guessing not.
I don't know where 67 got 12 volts to turn signal switch. Could be directly from fuse box.
I'm pretty sure the wire from brake lamp switch to turn signal switch is white. They wouldn't have 2 of same color (white) going to that connector. So to pick up 12 volts at radio connector with a white jumper needs to change colors and join the front signal wires etc... to/from the turn signal switch, (taped into same harness). Like I said before, they would move things around to simplify or simply to save a little wire.
Orange to turn signal switch connector is for a column shift indicator lamp. That may be common to all, floor shift or not.
I know the rally panel has 2 circuit boards, needs orange wire to both. In 67 harness there is a weld splice buried under tape where this wire branches. Maybe they got them from 2 different locations in the 68 harness to delete that weld splice.
I couldn't sort it all on a computer screen. I need printed on paper side by side to sort all these differences.
 

Thanks guys. Matt any dashes I've seen havent had the extra gnd to capacitor. I've seen extras that are obvious addons but not any factory ones.
Ben, still on 1st cup of caffeine, will read thru your reply. As mentioned Matt sent me awesome 67 scans. Ones I previously had were VERY fuzzy. I can email to you.
Would the 12v to t/s switch come from radio? 18 gauge orange.
You did a nice job with them. View attachment 1715478368
Its odd but the supp doesn't have the circuit coding for the instrument diagram where its most helpful. It seems like it went out the door a little less finished. I verified the 2 speed wiper switch connections against mine last night. View attachment 1715478369

I'm sympathetic with extending wires or adding connections, but it seems like asking for problems. Between the tips and photos here etc, and the 67 Supplement, I was able to reach everything without too much contortion or difficulty. The two points of difficulty were the heater control mounting screws and the unexpected ground wire. The heater screws might have been easier with the panel partially out. IIRC thats what I did 25 years ago when I was working with only the 68 FSM for guidance. This time I wanted to remove all screws and bezels I could with the panel firmly mounted to the dash.
The downside of extensions is more wire too stuff in there without strain on the connectors. And to my thinking, every additional splice and connection is something that could go wrong.

Try to follow the current paths. Positive origin from -> to.
Power comes from the fuse box to the radio on a red wire. If white joins it and goes to 'D' cavity of bulkhead, does it join different color wire ( black or red again) in the terminal that takes 12 volts to the turn signal switch? Is there a wire outside that 'D' of bulkhead? I'm guessing not.
I don't know where 67 got 12 volts to turn signal switch. Could be directly from fuse box.
I'm pretty sure the wire from brake lamp switch to turn signal switch is white. They wouldn't have 2 of same color (white) going to that connector. So to pick up 12 volts at radio connector with a white jumper needs to change colors and join the front signal wires etc... to/from the turn signal switch, (taped into same harness). Like I said before, they would move things around to simplify or simply to save a little wire.
Orange to turn signal switch connector is for a column shift indicator lamp. That may be common to all, floor shift or not.
I know the rally panel has 2 circuit boards, needs orange wire to both. In 67 harness there is a weld splice buried under tape where this wire branches. Maybe they got them from 2 different locations in the 68 harness to delete that weld splice.
I couldn't sort it all on a computer screen. I need printed on paper side by side to sort all these differences.
 
67 diagram shows orange 18 gage powers radio illumination and the radio connector is the junction for the column shift illumination.
Radio power is direct from fuse.

Turn signal power comes from Flasher and flasher from accessory circuit splice.
Hazzard power is the white wire, which also goes to the brake light switch.

Work in Progress
upload_2020-2-28_10-13-59.png
 
I forgot the 12 volts goes to the signal flasher and changes color again there before going to signal switch.
I was remembering a 72 harness when I said white went to bulkhead and changed colors before going to signal switch and skipped the flasher where it changed again. I was guessing the 68 is same.
At brake lamp switch 12 volts is pink in and white out to signal switch.
Steve, I don't have a printer, well I do have a old printer but no ink. I just can't do it on pc screen. My mind doesn't stay on track that good. On paper I can do side by side comparison, use highlighters, etc...
I'm sure you and Matt will finger it out.
 
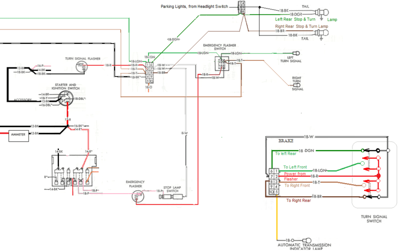
Real head scratcher..."D" cavity on 67 bulkhead is 18 ga dark green and leads to windshield wiper switch.
BOTH 67 and 68 turn signal flasher appear the same. 18 ga red from signal flasher leads to #2 cavity turn signal.
The 18 gauge black from flasher is fed from acc. welded splice......:elmer::BangHead:
 
I appreciate your help Ben, I need the schematics laid side by side also, but it starts to look like spaghetti incident lol.
Email me your mailing address, I have access to printer and laminator.
I forgot the 12 volts goes to the signal flasher and changes color again there before going to signal switch.
I was remembering a 72 harness when I said white went to bulkhead and changed colors before going to signal switch and skipped the flasher where it changed again. I was guessing the 68 is same.
At brake lamp switch 12 volts is pink in and white out to signal switch.
Steve, I don't have a printer, well I do have a old printer but no ink. I just can't do it on pc screen. My mind doesn't stay on track that good. On paper I can do side by side comparison, use highlighters, etc...
I'm sure you and Matt will finger it out.
 
Ok in 68 white wire to "D" b/h cavity leads to backup lamp switch(a/t). Not to confuse but violet at "C" also leads to backup switch.
For 67 the b/u switch has me confused....18 ga white and a 18 ga violet. Hard to tell if white comes from bulkhead (H cavity) or if white is from Wiper switch??:wtf:
18 ga violet leads to #4 cavity "to body wiring"> to b/u lights.
Wheres the dynamite emoji? Lol
 
Ok in 68 white wire to "D" b/h cavity leads to backup lamp switch(a/t). Not to confuse but violet at "C" also leads to backup switch.
For 67 the b/u switch has me confused....18 ga white and a 18 ga violet. Hard to tell if white comes from bulkhead (H cavity) or if white is from Wiper switch??:wtf:
18 ga violet leads to #4 cavity "to body wiring"> to b/u lights.
Wheres the dynamite emoji? Lol
Reverse lamp switch for automatic trans was inside the cabin on column or console shifter until about April 68. Then it went out the bulkhead to switch on trans. Reverse lamp switch for manuals trans was always through bulkhead. My 67 diagram shows white in 'H' cavity.
So you and Matt have determined the 67 model turn signal circuit is powered from accessory weld splice. That reads as turn signals were not fused. My diagram shows the same.
 
You did a nice job with them. View attachment 1715478368
Its odd but the supp doesn't have the circuit coding for the instrument diagram where its most helpful. It seems like it went out the door a little less finished. I verified the 2 speed wiper switch connections against mine last night. View attachment 1715478369

I'm sympathetic with extending wires or adding connections, but it seems like asking for problems. Between the tips and photos here etc, and the 67 Supplement, I was able to reach everything without too much contortion or difficulty. The two points of difficulty were the heater control mounting screws and the unexpected ground wire. The heater screws might have been easier with the panel partially out. IIRC thats what I did 25 years ago when I was working with only the 68 FSM for guidance. This time I wanted to remove all screws and bezels I could with the panel firmly mounted to the dash.
The downside of extensions is more wire too stuff in there without strain on the connectors. And to my thinking, every additional splice and connection is something that could go wrong.


I agree with the extending mostly. All your points are well received. Pay $$ for a new correct harness and you have to decide not to cut/wreck it for future or adapt it. This mod other than my electric choke feed Is the only mod to the new factory harness’s any where in the car. Plug and play and short, heat shrinked for protection. Remove the blue 12+ fuel gauge feed from the barrel and redirect. The yellow wire is an aux ground down to the short factory column to dash mount strap wire for sure cluster ground! Plugged the 5v fuel gauge hole to keep the dirt out as well. I used the Charger Specialty gauges and have been very pleased!

70AFB814-06EA-4801-94CF-4F57396758A1.jpeg
 
Bad of me, showed the wrong pic highlighted yellow For the original blue +12v feed. Updated pic attached. The other pic highlighted the sensor feed from the tank!

9A3CF3E3-0E13-4B5E-BD2E-05B296DC94C1.jpeg
 
That's funny. Ididn't even look at your highlight. I knew what you meant.
 
@4spdragtop
Maybe the way to do this without driving yourself crazy is work from the harness that needs repair.
Is it a '67 fastback?
Lay that one out on a bench or even better a board.
Tag the bad terminals or whatever needs repairs or replacing.
Then go over to your '68 harness and diagram. See if that one wire or circuit is the same. If it is transfer it. (Unrwap the harness tape, etc)
Do all that you'ld like to replace.
Then any bad ones that aren't one to one swaps will need to be repaired or spliced.
 
Steve, did you not replace a harness on the 67 with a 69 at some point. Seem to remember you had some issues and did not have the correct piece! Or Am I thinking the opposite with the 69 vert.
 
Thanks guys, it is a 67 fastback. Car is in storage(hour away). Non heated.
I had some elec issues going back to 2018. I wrestled most of the summer on it, with little success. Said f**k it and it's still sitting. Seeing as how I had a couple spare harness and a spare 67 dash frame, I thought I would be "proactive" and redo the spare dash at home and swap it in the spring.
May just sell or trade both cudas as a pkg if you know anyone?
@4spdragtop
Maybe the way to do this without driving yourself crazy is work from the harness that needs repair.
Is it a '67 fastback?
Lay that one out on a bench or even better a board.
Tag the bad terminals or whatever needs repairs or replacing.
Then go over to your '68 harness and diagram. See if that one wire or circuit is the same. If it is transfer it. (Unrwap the harness tape, etc)
Do all that you'ld like to replace.
Then any bad ones that aren't one to one swaps will need to be repaired or spliced.

Steve, did you not replace a harness on the 67 with a 69 at some point. Seem to remember you had some issues and did not have the correct piece! Or Am I thinking the opposite with the 69 vert.
 
Thanks guys, it is a 67 fastback. Car is in storage(hour away). Non heated.
I had some elec issues going back to 2018. I wrestled most of the summer on it, with little success. Said f**k it and it's still sitting. Seeing as how I had a couple spare harness and a spare 67 dash frame, I thought I would be "proactive" and redo the spare dash at home and swap it in the spring.
May just sell or trade both cudas as a pkg if you know anyone?

Keep the 67 it was your pop’s right? You would regret that at some point!
 
Yes it was Pops, bought it in 2012. Only way the 67 would go is if it went as a pkg with the 69.
69 is a hard sell as its stripped down(1 of 34 tho).
Yes regrets for sure, I feel like I'm having a twisted midlife crisis lol. I love the 67, but there has been more stress than love with it(and them) past few years.
Keep the 67 it was your pop’s right? You would regret that at some point!
 
Mine sat for 25 years before the cash and finances worked and sometime that’s what it takes. All new wire harness’s cost close to 1k, it was fully worth it in the long run! Keep your dad’s car and be patient! JMO!
 
You really don't have to ponder all the "why" these differences exist. Just take the tools to it. Make the harness you have match the 67 diagram. It could be a lot worse. I can't imagine how long this thread would be if you had a 70 up rally harness to put in a pre 70.
 
I didn't read every post, not even sure if I commented yet.

I bought this colored laminated diagram years ago, and it's accurate.

Bought a Painless 7 circuit weatherproof fuse box setup, comes with a cover, mounted it where the original was and left the stock wiring in place.

I powered everything using the correct factory style terminals on the Painless wires, and snapped into the stock connectors.

I bypassed the ammeter, installed a headlight relay kit, added pos and neg hubs, bought new dash circuit boards, h4 lights, 4Runner alternator, MSD, and grounded everything.

I detailed it in a thread on here.

It was extremely easy, made easier by leaving the stock wiring as-is, it was in vgc, and using the Painless to power everything the stock fuse box did, and more. I even have a circuit left.

20180108_215235.jpg
 
-
Back
Top Bottom