Solid state regulator conversion confusion!

-
Thanks for the great pictures! As I understand it, the first picture that has that bent in tab in the ground position which I have, is correct, along with the one that has the ground tang?
 
Thanks for the great pictures! As I understand it, the first picture that has that bent in tab in the ground position which I have, is correct, along with the one that has the ground tang?
For use with a pre-70 type regulator, this is the correct one.
alt_rear_bearing_dimpled-jpg.jpg


The bent tab grounds the carbon brush to the housing.
upload_2020-6-16_22-50-35-png-png-png.png


Here's another view showing that brush holder is a part of the casting.
upload_2020-9-3_12-46-16.png
 
Any alternator with two insulated brushes can be used with the pre-70 type regulator by grounding one of the brushes.
That's what we did on this 70-1 that I got from the junkyard using what my friend's dad had at their house.
upload_2020-8-26_21-2-9-png.png


upload_2020-9-3_12-50-47.png

It's not a lot of current - those connectors worked fine.
 
Last edited:
Didn't mean to post this one before after I realized what it was.
I'll put it here.
This looks like an original pre-70 with all the correct markings and parts surviving, but someone modified it to use insulated brush holder for a 70 up regulation system.
Looks like it was done years ago before anyone had interest in preserving originality.
upload_2020-9-3_11-31-19-png.png

I could be wrong about the modifcation - it could be some special purpose assembly. Chrysler did have some different systems - rare at the time and rare now. But I don't think that's what we are seeing here.

More often we see rebuilders who drill the other side for the insulated brush holder.
Like this one.
upload_2020-9-3_13-8-25.png


upload_2020-9-3_13-8-57.png


Boo :(
 
Last edited:
I guess you are talking about the 12 Gauge run around ground wire. I did that to mine with a jumper wire, didn't affect anything. I guess mine is fine as is. Thanks
 
I don't know what you mean by a 12 gage run around wire.
The above post shows pre-70 roundbacks converted to use later regulators.
The later regulators control the field's ground rather than feed.
I wasn't trying to answer your specific question. It just happened I had accidently posted that image earlier, so it was an opportunity to show how pre-70 roundbacks are sometimes altered (mutilated).

We see an insulated brush holder and insulating washer on this alternator in the location that normally would have the grounded brush.
upload_2020-9-3_14-20-40.png


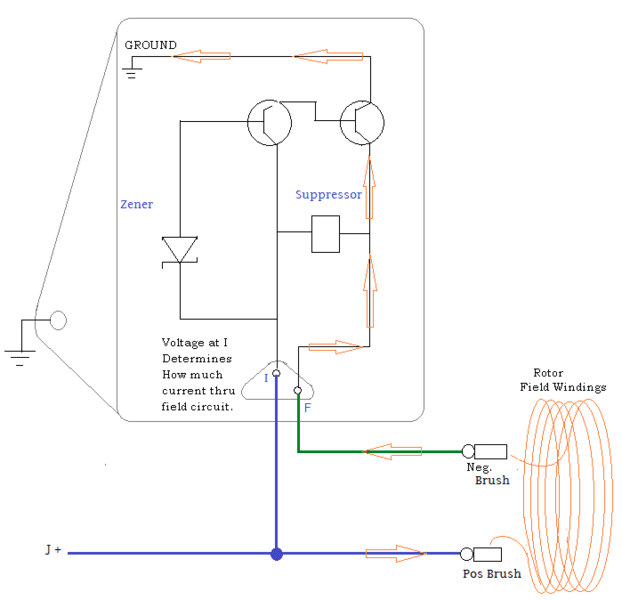
How that works with a 1970 up regulating circuit.
upload_2020-9-3_14-12-18.png


Orange arrows represent current flow. In this illustration unrestricted flow such as when the voltage at I is below the set point (probably around 13.8 V).
Functionally it doesn't really matter which brush is connected to the power and I, and which one is connected to F.
But both must be insulated from ground.
 
Last edited:
I'm sorry, the wire running from the ground lug to the alternator case..
 
I could be wrong about the modifcation - it could be some special purpose assembly. Chrysler did have some different systems - rare at the time and rare now. But I don't think that's what we are seeing here.
Looks like its what Chrysler called the insulated brush alternator. It was used on very limited applications including 1969 Imperials.
upload_2020-10-16_10-59-30.png


Its missing the heat sink connector
upload_2020-10-16_11-2-40.png
 

-
Back
Top Bottom