Mattax
Just the facts, ma'am
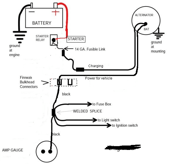
Reread his last paragraph carefully. This isn't about fuses in general, its about a protective device on the battery feed (or feeds).I agree about having fuses to protect, that's the last thing I want, to have a electrical fire. I suppose I could run another wire to replace the original red for the ammeter and connect it like the MAD original.
Fusible Links in Charging System















