Can someone help? I need to drive my dart tomorrow

-
Where does the red wire connect? The one going through the firewall grommet with speedometer cable?
 
Where does the red wire connect? The one going through the firewall grommet with speedometer cable?


That red wire that goes through the grommet is attached to pos terminal on battery and is not connected to anything under the dash
 
Also what is the function of this?

AA348819-4AE7-4029-9C19-A5D62E9427D6.jpeg
 
I cleaned up the firewall for a solid ground for VR

Connected the ammeter wires together

When revved voltage still doing the same thing. 16 to 17.

Would seem to me the problem is either the VR or the alternator, unless I don’t quite have well enough of an understanding of this which is probably the case haha. We will figure this out and I really appreciate your guys help specially around the holidays
 
That red wire that goes through the grommet is attached to pos terminal on battery and is not connected to anything under the dash
Oh Boy Oh boy. We're going to have to unravel what has been done. Is it easy to disconnect from the battery terminal? If so, do that right away. If that sparks you'll weld something!

When you guys say ballast resistor, what exactly are you speaking of?
Its that vertical white bar attached to the firewall. Its a resistor to reduce the voltage going to the coil when the engine is running. The white is ceramic which provides electrical insulation and heps disapate the heat. In the back is a cavity holding the resistance element.

Also what is the function of this?
Automotive coils were designed to run at something less than 12 volts. Give it 12 volts for too long and they get hot and eventually fail.

I cleaned up the firewall for a solid ground for VR
Solid ground to the body. Good. Now check that there is a good ground from body to the battery negative and also the alternator case.

Connected the ammeter wires together
Thought you did that way back. I'm not against using the ammeter but that one post didn't look good.

When revved voltage still doing the same thing. 16 to 17.
Yes of course.

Would seem to me the problem is either the VR or the alternator, unless I don’t quite have well enough of an understanding of this which is probably the case haha.
I was starting to get that feeling. Did you understand what an electomagnet is? If not, then its really hard to understand what the 'Field' is.
Until then, here is a way to understand it why the problem is in the wiring.
The Voltage regulator can only respond to the voltage it 'sees'. If it sees 14 Volts, it 'thinks' everything has enough power. If the wire going to the regulator has 11 Volts, or 6 Volts, it 'thinks' the alternator needs to provide more power. So if your regulator is seeing 6 Volts, its going to tell the alternator to produce more power and continue to do so until it comes up to 14.5 Volts.
 
One way to figure out what wires go where is with the ohmmeter (or continuity). This saves you the trouble of unwrapping everything. Cleaning the insulation so you can see the color better of course helps, but sometimes they are faded.
edit: Always disconnect the battery when measuring resistance, other than grounds. Even then, its safer.
 
Last edited:
Excess resistance between the alternator and the VR would have no effect on starting. Slow down and review from the begining. You're missing a lot that has already been dealt with.

Please do not talk down to me. I'm an NOT talking about "excess resistance" between the alternator OUTPUT and the battery which does NOT cause the VR to overcharge.

I am talking about YOUR suggested tests which IF there is harness voltage drop in the VR IGN circuit WILL cause overvoltage but is VERY UNLIKELY to cause this much over voltage.

The kind of overcharge the OP is experiencing is most likely a serious problem in the field circuit. Could even be something like wires melted together in the harness causing the VR to effectively be "out of the circuit"
 
Also what is the function of
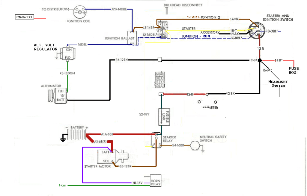
Here's what these things are, along with the wires that connect. We're going to have to figure out what's be rerouted.
Are either of the two blue colored crimp connectors attached to wires?
It looks like the upper one might be.

blob.jpg
 
Seeing the pictures and what you ahve posted, I'm guess you have not cleaned the terminals inside the bulkhead connectors. That's should be done. They are susceptible to oxidation. At least some of the resistance is probably in these connections. Carefully pull the connectors off (there's a tab on each side) and clean. Some quick dry electrical cleaner is helpful.

There's more wires I don't recognize. The bright blue one goes where? And maybe more important the wire attached to the starter ? Its always Hot. Does it go inside?

blob.jpg
 
I have yet to clean the terminals in the bulkhead fitting. I just did a test to see how the VR is working. I took the cover off the VR and started the engine. Battery read about 13.5 volts. My father revved the engine and watched to see if the VR did anything at all and it didn’t. So, while voltage was about 16 volts I pressed on the part of the VR that has the contact points on it to create a gap between the two contacts. When I did this the voltage dropped to about 13.5-14. So obviously the voltage regulator is not working since it is not moving on it’s own. Question is why? Is it because it just needs a new one or something else? The alternator is obviously working fine. All the other electrical is working. Does it make sense to just replace the VR or you guys think something may be causing the VR to not respond to the alternator even though there is power getting to the VR?
 
The green wire to the VR gets 12 volts when Its unhooked from the VR. When connected it’s at 6 volts. One thing I don’t understand is why it changes to 6 volts when connected and 12 volts when not connected
 

Battery read about 13.5 volts.
What was the voltage regulator at the regulator? It only knows the voltage through the wiring. Did the regulator see 13.5 volts? More important, did it see the 16 volts when you revved it? If the answer is, then the regulator is not working. If the answer is no, then the regulator may be working, and the wiring definately bad.
 
The bottom and top connection both are about 6 volts. When the bottom wire is disconnected, the wire reads 12 volts. When connected to the VR, that same wire reads 6 volts
 
The green wire to the VR gets 12 volts when Its unhooked from the VR. When connected it’s at 6 volts. One thing I don’t understand is why it changes to 6 volts when connected and 12 volts when not connected
Voltage only drops when there is current flowing. When you disconnect the green wire, the electricity can not flow to ground.

Picture voltage like water behind a dam with various passages feeding off, but all closed. Its potential power, and until it moves, it has the same potential all over.

Another way to picture it is like air pressure. If you have an airpump and tank, the battery is like a pressurized tank, and the pump is like the alternator. Voltage is like the pressure inside. Air pressure outside the tank is like ground voltage. The pressure inside the tank would love to get outside, but it can't until there is a route.

Disconnecting the green wire is like disconnecting an air hose with a shutoff coupling. The pressure in the hose can't get out, and is the same as in the tank, or the pump, whichever is higher.
 
The bottom and top connection both are about 6 volts. When the bottom wire is disconnected, the wire reads 12 volts. When connected to the VR, that same wire reads 6 volts

When the regulator sees 14 Volts on the ignition side, if its working, it will start controlling the voltage on the output side. I'll pull my shop manual and see what the numbers are.
 
Could be.
It should control the voltage so it goes from 13.2 to 14.5 Volts out.
The electromagnetic coil pulls the arm down when it gets power. When power is weak, the arm moves to the top and closes the connection from the in (ign) to out (field +).
When the electromagnet gets a little more power, it pulls the arm to the middle. Electricity goes through the two parallel resistors (on the bottom) to the field.
When the electromagnetic gets even more power (such as high rpm an low demand), it pulls the arm down and momentarily grounds it through the third resistor underneath.

That doesn't change the two other issues we've identified. 1) High resistance in the wiring. 2) unknown wires in the main power circuit.
There is probably resistance in the bulkhead connector. It may be at any of the terminals or crimps, such as at the ballast resistor, the start switch. There also may be some in the grounds, body to battery negative or engine to battery negative.
 
And maybe more important the wire attached to the starter ? Its always Hot. Does it go inside?
View attachment 1715113803
Does this wire from the starter goe to the horn relay? That would be the same idea as hooking it to the output post on the alternator. For some reason they didn't protect the horn power in the 60s.
 
Here's what we've got so far - Work In Progress but it will help.
I don't have a '65 FSM, so working off of my 67 as the base so some colors may not be the same.

blob.png
 
You can buy a cigarette lighter voltmeter for $15 on Amazon, or $6 for the cheapie LED light one at Harbor Freight. I use in all my new vehicles which have neither ammeter nor voltmeter.

A lot to pick thru. In all your voltage measurements, was the black lead of the multimeter connected to the BAT- post? Voltage measurement is always a difference, so we must know the delta from what to what. When you measured the resistance from the case of the VR to BAT-, your multimeter was on the 200 kohm range and read 0.2, which means 200 ohms. That would be "not good", but is likely inaccurate. Set to the 200 ohm range and repeat, but it should be <1 ohm which is still hard to measure. Better is to measure the voltage drop from there to BAT- and should be <1 V w/ engine running.

You can buy an electronic Vreg that will match your connectors for ~$12. Some are small chrome and others look like yours (see rockauto). The old coil type require tweaky adjustments (see factory manual) and no guarantee a Chinese one will be setup right. They hopefully couldn't mess up an electronic one since the ~14 V setpoint is fixed by a diode. But, I agree with Mattax that your problems are likely in draws from the Pertronix installation or the non-factory wires that go who knows where. People adding electrical stuff to cars that "don't know lectricity" are dangerous, and that describes many mechanics.

Nobody mentioned that you are 1-step ahead by having a 1965. That year and 1963 had bulkhead connectors with large buss-bars that feed the thick ALT and BAT wires thru. Dropping that in 1966 caused endless problems for those owners (i.e. "bulkhead melts" problem). I'm not seeing the "missing insulators" that others suspect on your dash ammeter bolts. I refurbed the dash cluster in my 64 & 65 and looked like yours. But, an ohmmeter would verify they are isolated. The red wire probably overheated not because the ammeter went off-scale (I didn't see that), but rather because it had a little corrosion on the terminals and 50 Amp x 0.5 ohm = 25 W which is a lot of power in a small area and will do that. Sand good until shiny copper on all sides and coat w/ silicone grease. Ditto for all connections, especially those with thick wires. If you give up on your dash ammeter, search for "MAD Bypass" for how to keep the main current in the engine bay.
 
Last edited:
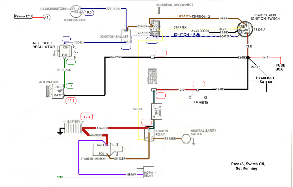
Here's the voltage measurements you posted. Now the question here is why did the voltage drop so much? It shows there was current flowing. The two items that would draw current with the switch on is the ignition ECU (& coil briefly) and the alternator's field.

blob.png
 
The Petronix is connected to the blue wire that goes to the ballast resistor. The bright blue wire going to the same spot is an aftermarket tachometer. The red wire coming off the battery and going thru the firewall along with the speedometer cable is not attached to anything
 
Nobody mentioned that you are 1-step ahead by having a 1965. That year and 1963 had bulkhead connectors with large buss-bars that feed the thick ALT and BAT wires thru. Dropping that in 1966 caused endless problems for those owners (i.e. "bulkhead melts" problem).
Thanks for posting that! That is what it kindof looked like in the photos but I wasn't sure. I looked at a non-factory wiring diagram for 65 at mymopar but don't fully trust those.
I'm going to post one more diagram with Shaun's voltage readings, and then call it a night. Car show/rally in the AM so probably won't check back here until the afternoon.
 
-
Back
Top Bottom