Can someone help? I need to drive my dart tomorrow

-
Since I have given you guys all of the voltage readings at multiple locations, what should those readings be if things were working properly?
 
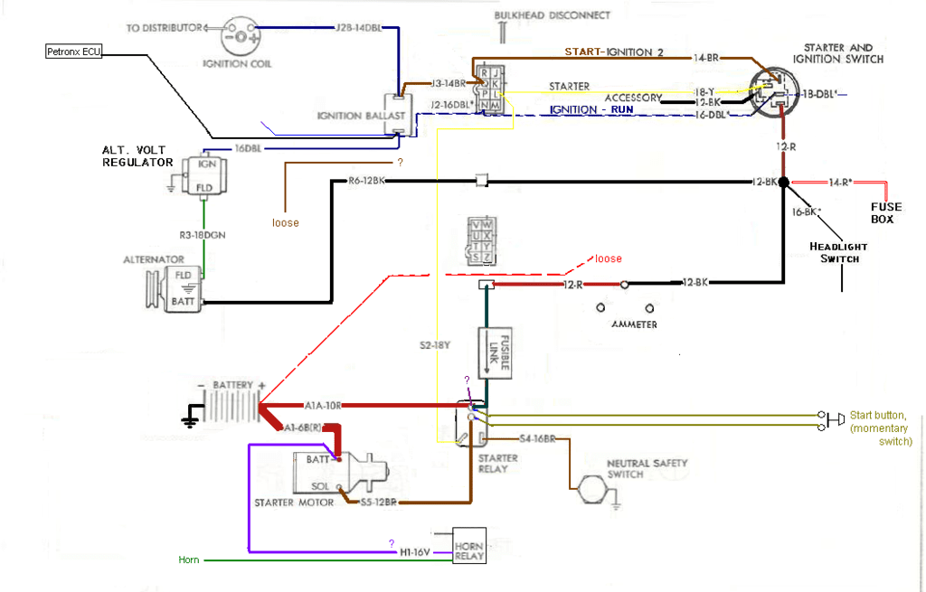
The Petronix is connected to the blue wire that goes to the ballast resistor. The bright blue wire going to the same spot is an aftermarket tachometer. The red wire coming off the battery and going thru the firewall along with the speedometer cable is not attached to anything
Could the Coil Positive and VR Feed (IGN) be on the wrong side of the ballast resistor?
The Coil should be on the side that gets full voltage at Start and reduced voltage at Run.
The VR should be on the side that gets full voltage at Run, reduced voltage at start.
 
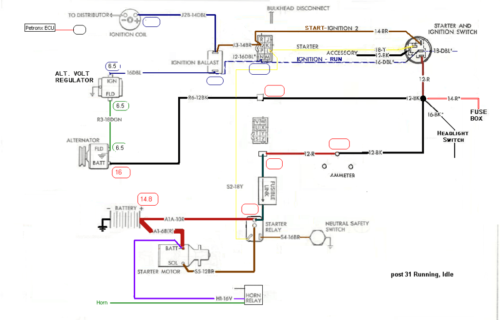
Here's the Voltages running as posted in 31. As in the previous diagram, I've places rectangles to fill in the voltages so you can figure out where its dropping. When you find a drop - there is resistance.

blob.png
 
The Petronix is connected to the blue wire that goes to the ballast resistor. The bright blue wire going to the same spot is an aftermarket tachometer. The red wire coming off the battery and going thru the firewall along with the speedometer cable is not attached to anything
Ok. I think I got what you're saying.
In the picture in post 47
The heavier black wire goes to the Petronix. The dark blue with it goes to a tach.
The brown on the top post I would think is the Run when Starting from the ignition switch.

The fact that you got 10 Volts at the coil and 6 at the VR input makes me think something has been altered from stock. The extra connectors on the starter relay may have been someone's method of rerouting the Run when Starting.
 
Since I have given you guys all of the voltage readings at multiple locations, what should those readings be if things were working properly?
Everything in the red rectangles should have either the battery voltage or the alternator output voltage, which ever is higher. There will be a small drop from whichever one is higher at the point the current goes toward the ignition, headlights or any other item consuming power.
That location is usually the big splice.
The only places voltage drops are places where power is used.
 

So at the VR should I be getting 12 volts instead of the 6 I’m getting?
Yes. Whatever the battery is, it should be very close to the same.
With the alternator running, it will be 14.5ish; or in the current situation, you should have seen 16 volts.
 
Ok I appreciate the help. Gonna call it a night for now. I probably won’t get to it tomorrow. Will be at the parents house with my kids for thanksgiving. Happy holidays everyone. I will get back on this on the weekend. Anything you want me to check into just let me know
 
Yes. Whatever the battery is, it should be very close to the same.
With the alternator running, it will be 14.5ish; or in the current situation, you should have seen 16 volts.


This applies to everywhere besides the ballast resistor I assume?
 
Fer Chriz sake. Run a big wire.......no 10 or a PAIR of no 10 direct from the alternator output to the battery. At least temporarily. That will eliminate about 7/10 of the problem "for now"
 
Since I have given you guys all of the voltage readings at multiple locations, what should those readings be if things were working properly?


"Generally"

Ignition switch "run" output, alternator "blue" field, VR IGN terminal and "switch" side of ballast should all be the same, within 3/10 volt of the battery, measured with key in run / engine stopped

Alternator output stud and battery should be within 1/2 volt and certainly not more than 1V when "hard charging" IE battery down a bit or lots of accessories on

Coil + with key on / engine stopped will vary a lot, somewhere from 8--10V

Coil + "when cranking" should be 10V or more and "same as battery"

Coil + when running varies a lot, usually over 10V and 12V or less

Again, these are generalities, "not in stone"
 
I do have a brown wire that runs along the valve cover that is not hooked up to anything. That has 6.1 volts
^ This brown wire may have been a hack to bring power from the alternator output directly to the ignition terminal. I'm guessing this because one end (near the alternator?) is broken and read 6 Volts sugesting its attached to the other wires at 6 Volts. Attached to the alternator output, it would have been full voltage.

problems are likely in draws from the Pertronix installation or the non-factory wires that go who knows where. People adding electrical stuff to cars that "don't know lectricity" are dangerous, and that describes many mechanics.
So if I'm correct about the brown wire, that hack that would mean the field and ignition were always powered, even with the ignition switch off.

I think the blue crimp connector on the Starter Relay was a bypass or parallel feed for the Run when Starting wire to the other coil side of the ballast. Not sure what the other wires are on the starter relay...

 
The wire with the question mark is coming out of the same place as the wire that I drew the yellow line to
 
I agree with Mattax, something is pulling way too much current after the ammeter and you need to find it. Judging from the rusty terminals on the ammeter, I'd take that apart, clean it, spray with WD-40 and make sure the connection is nice and tight too. Since a fuse didn't blow to stop the current pull I'd say you may have something going on in the wiring harness or an aftermarket accessory that wasn't fused properly.
 
I should have mentioned this and it slipped my mind. The car is started by a start button the PO wired in. So, turn the key to run position and press the button to start

The key will still turn the engine over and start the engine occasionally. I assume it’s faulty and that’s why the PO put the button in. Sorry for not mentioning this earlier everyone
 
Ok so with the ignition key off, the push button will turn the engine over, just not start it. So it’s getting power all the time. Would this be the current draw that is causing the problem?

066CC7BB-1A8A-428C-9F28-CA9B3BA4AB7B.jpeg
 
The last picture is the push button starter. Those are the two wires going to it. They are in the same insulation that is going to the starter relay with the wire that was not identifiable in the previous post I drew the yellow line to
 
The picture won’t load but it’s the wire directly to the left
Is this in reference to the photo of the starter relay and bulkhead?

As far as uploading images, sometimes its a little slow, but it after selecting the file, it should upload and show as "blob.jpg" underneath. Then hit then "Post Reply" button. There also may be a way to drop and drag.
 
Yes in reference to the starter relay and bulkhead photo. The wire you labeled with a purple line and question mark. That wire along with the wire directly to the left are insulated together and seem to go to the push button starter that has power at all time even when key is off
 
I should have mentioned this and it slipped my mind. The car is started by a start button the PO wired in. So, turn the key to run position and press the button to start

The key will still turn the engine over and start the engine occasionally. I assume it’s faulty and that’s why the PO put the button in. Sorry for not mentioning this earlier everyone
This is a big help in understand what has been done.

Ok so with the ignition key off, the push button will turn the engine over, just not start it. So it’s getting power all the time. Would this be the current draw that is causing the problem?
It shouldn't be the problem. It only passes current when the switch is closed. But until we figure out where both wires jumper, there's always a possibility it connects in some way to something...

The last picture is the push button starter. Those are the two wires going to it. They are in the same insulation that is going to the starter relay with the wire that was not identifiable in the previous post I drew the yellow line to
Thanks. OK. Got it. You answered while I was typing.
 
We still have a mystery brown wire or two. One of which is hanging loose, and there was/is a hot from the battery that ran inside that's also hanging loose. One of them may have broken out of a connector and could be why the hack stopped working. (I'm using the word hack for convenience instead of modification. )

Give me a little time to correct the diagram. It starting to make sense now.
 
Was any rewiring done at the original ignition switch?
Its also possible the switch internals are contacting the Ignition 2 (run when starting), instead of Ignition 1 (Run).
I inserted the brown wire on the valve cover that was at the same voltage as the petronix and regulator. Question marks at the unknowns.

blob.png
 
The back side of the ignition switch has new connectors on it. I will try to snap a picture of it tonight but it will be around 10 pm or so. I will try to figure out where the wires with the question marks are going as well. That will be tomorrow though
 
-
Back
Top Bottom