Mattax
Just the facts, ma'am
Not sure what year you have but the 6014 lamps that came in somewhere after '73 model year were brighter but drew more current.I like the sounds of that. I always hated how dim my headlights were
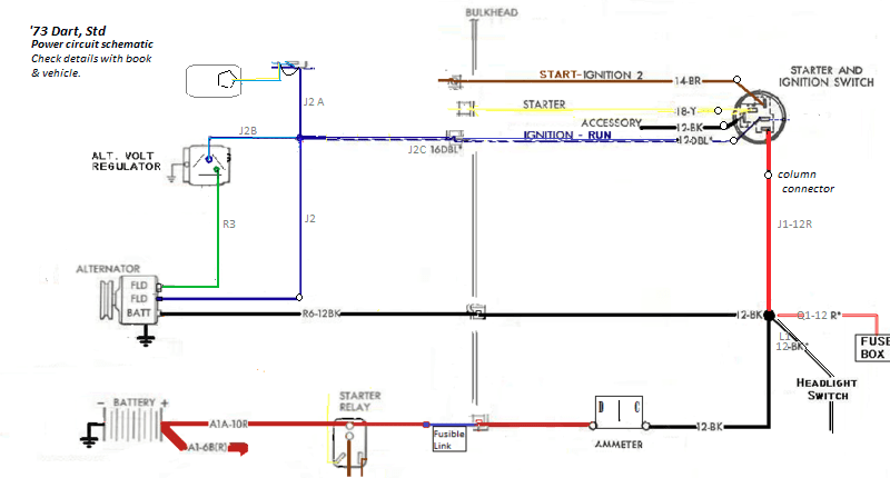
So this put a greater load on the a-body headlight systems which used 18 ga wires to the lamps, and light switches with 15 amp breakers, etc.
Its also a lot conenctions and fairly distance for the electricity to flow.
Rusty explained the work around uses relays.
How this helps is the power for the lamps can flow from the alternator directly to the relay to the lamps.
Using larger wire sizes, shorter distances, and few connections results in less resistance to current flow and higher voltage at the lamps.
So even without changing lamps, they will work better.
Bonus is that the alternator's output wire no longer carries that power. So when you're driving at night in a cold rain with wipers, lights, and heater going, that's something around 10 amps less current going through the bulkhead connector. That's significant.
As far as alternator output, do a search here. The way to really know is to load it at increasing rpms. All of them have more capacity as rpm goes up. What is usually most important is whether it has enough power to run the car and most accessories while driving. If you stuck in traffic or other idle situations, then power at idle rpms can be of imprtance too.















